Dimension de conteneur poubelle de 120 litres 140 litres, 180 litres, 240 litres, 660 litres et 770 litres sur roues avec couvercle.

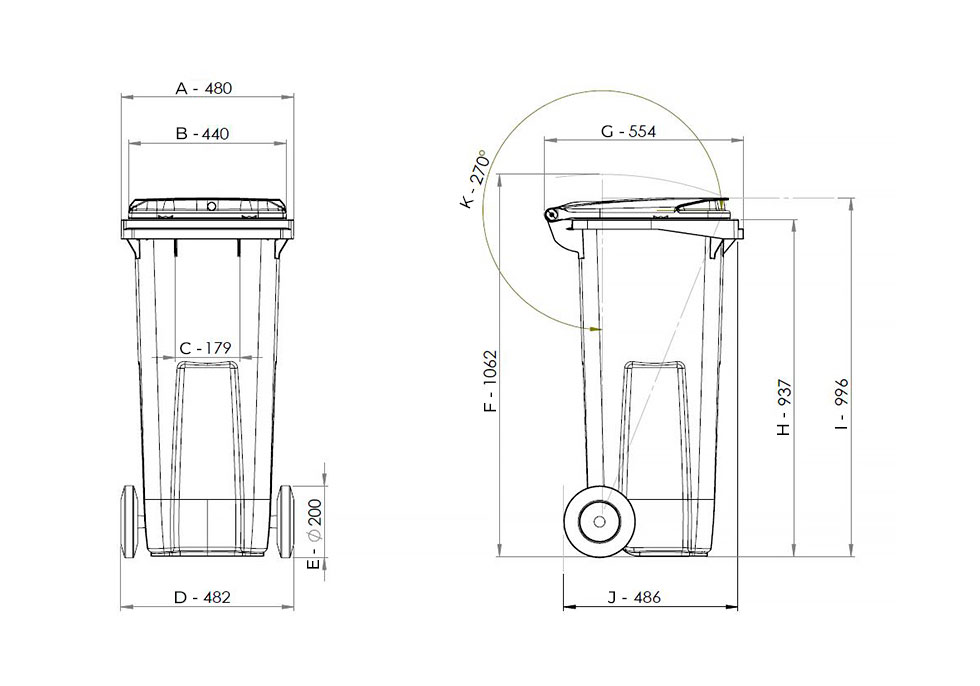
Conteneur Poubelle 120 litres : Hauteur 99 cm , Largeur 48 cm , Longueur 55 cm

Conteneur Poubelle 140 litres : Hauteur 107 cm , Largeur 48 cm , Longueur 55 cm

Conteneur Poubelle 180 litres : Hauteur 107 cm , Largeur 48 cm , Longueur 71 cm

Conteneur Poubelle 240 litres : Hauteur 107 cm , Largeur 58 cm , Longueur 74 cm

Conteneur Poubelle 360 litres : Hauteur 110 cm , Largeur 62 cm , Longueur 85 cm

Conteneur Poubelle 660 litres : Hauteur 120 cm , Largeur 80 cm , Longueur 127 cm

Conteneur Poubelle 770 litres : Hauteur 130 cm , Largeur 80 cm , Longueur 137 cm.

Product added to wishlist
Product added to compare.